专注于汽车催化剂行业焙烧炉解决方案
服务热线:0519-88855650 13921070523
本次业主是位于中国·四川的一家专业从事新型电子陶瓷粉体研究的单位,致力于研发高纯、超细、高性能陶瓷粉体生产技术工艺,并且应用于大规模工业化生产,从而打破日本、美国等在该领域的垄断地位。
电子陶瓷粉体是制造陶瓷元器件最主要的原料,其核心要求在于纯度、颗粒大小和形状等。高纯、超细、高性能陶瓷粉体制造技术和工艺是制约我国电子陶瓷产业发展的瓶颈。常州伯端凭借在干燥及焙烧领域多年的设备制造经验,与该企业达成合作,为该项目提供非标定制喷雾干燥系统及高温回转焙烧炉系统。
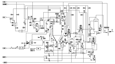
图1.1 喷雾系统工艺流程
图1.2 设备现场图
常州伯端一直以来坚持提供高标准,细节化的服务。本次项目前期由伯端技术人员主导对物料进行了全面的分析和试验,确定了正确的设计工艺路线。为了满足物料特性要求,伯端技术与生产提前进行了联合设计讨论,精细化生产图纸。再加上伯端高标准、严规范的制造要求,确保了本套设备一次性调试成功,并获得了业主的一致好评!
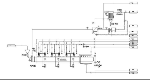
图1.3 焙烧工艺流程图
图1.4 设备图
喷雾干燥+高温回转焙烧炉成套系统是我司的主要优势产品工艺包之一,我司自主研发设计生产的喷雾干燥+高温回转焙烧炉成套系统,区别于普通的干燥焙烧设备,其具有以下优势:
1、 提供成套系统的非标工艺定制服务,提供物料实验测试,方便用户获取第一手基础数据,从而使工业扩大化生产更有保障。
2、 喷雾干燥采用自主设计的可调式热风蜗壳分配装置, 可以根据物料与运行情况调节,保证进风均匀,物料不粘壁。
3、 高温回转焙烧炉与同型类产品,如采用天然气可节约10-15%能耗,如采用电加热,可节约8%~10%能耗。
4、 高温回转焙烧炉采用分区控温技术,特别适用于对焙烧工艺温度曲线有较高要求的物料。
5、 高温回转焙烧炉采用独特密封结构,可通惰性气体保护(如:氮气)。
联系伯端,让我们专业的人员为您提供更适合您的焙烧炉解决方案
在线客服 0519-81887013 13921070523
地址:常州市新北区新桥镇新龙江城市广场2-1901 手机:13921070523 电话:0519-88855650 邮箱:chenxy@boduanshiye.com
Copyright © 常州伯端机电设备有限公司. All Rights Reserved. 苏ICP备17015250号 友情链接:
在线客服